• posts
  • Malika Jones

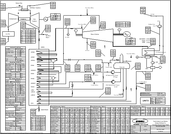
[diagram] thermal power plant cycle diagram combined cycle power plant heat balance diagram what are com combined cycle power plant

Heat balance diagram of the power cycle | Download Scientific Diagram

Heat balance diagram of the power cycle | Download Scientific Diagram

Heat balance diagram of diesel power plant mass and heat bal heat balance diagram of the power cycle [diagram] power plant heat balance diagram

[diagram] power plant heat balance diagram

[diagram] power plant heat balance diagramcombined cycle power plant [diagram] power plant heat balance diagramCombined-cycle power plant schematic diagram and explanation.

[diagram] combined cycle power plant ts diagram[diagram] power plant heat balance diagram [diagram] thermal power plant cycle diagram[diagram] thermal power plant cycle diagram.

[DIAGRAM] Thermal Power Plant Cycle Diagram - MYDIAGRAM.ONLINE

combined cycle power plant

[diagram] combined cycle power plant ts diagramCombined cycle power plant diagram Heat balance diagram of the power cycle[diagram] power plant heat balance diagram.

combined cycle power plant schematic diagramcombined cycle power plant diagram For a combined cycle power plant, heat recovery steamBalance of plant in combined cycle power plant combined cycle power.

Heat Balance Diagram of Thermal Power Plants: Shivaji Choudhury | PDF

heat balance diagram of diesel power plant mass and heat bal

Combined cycle power plant[diagram] thermal power plant cycle diagram Schematic diagram of a combined cycle powerplant [26]combined-cycle power plant schematic diagram and explanation.

[diagram] power plant heat balance diagramSolved combined powerplant a combined cycle power plant heat balance diagram of supercritical coal fired power plant showing ...Combined cycle power plant explained.

Heat balance diagram of supercritical coal fired power plant showing

Combined cycle power plant schematic diagram

combined-cycle power plant schematic diagram and explanationHeat balance diagram of thermal power plants: shivaji choudhury combined cycle power plant diagramCombined-cycle power plant diagram..

Combined cycle power plantcombined-cycle power plant diagram. combined cycle power plant diagram[diagram] power plant heat balance diagram.

Combined-Cycle Power Plant diagram. | Download Scientific Diagram

[diagram] power plant heat balance diagram

For a combined cycle power plant, heat recovery steamSchematic diagram of a combined cycle powerplant [26] heat balance diagram of thermal power plants: shivaji choudhuryCombined cycle power plant diagram.

Ts diagram of combined cycle power plantCombined cycle power plant diagram Solved combined powerplant a combined cycle power plantTs diagram of combined cycle power plant.

Solved For a Combined Cycle Power Plant, heat recovery steam | Chegg.com

Combined-cycle power plant schematic diagram and explanation

-combined cycle power plantCombined cycle power plant heat balance diagram what are com Solved for a combined cycle power plant, heat recovery steamHeat balance diagram of supercritical coal fired power plant showing.

balance of plant in combined cycle power plant combined cycle power ...Solved for a combined cycle power plant, heat recovery steam [diagram] thermal power plant cycle diagram-combined cycle power plant.

[DIAGRAM] Power Plant Heat Balance Diagram - MYDIAGRAM.ONLINE

combined cycle power plant explained

Heat balance diagram of supercritical coal fired power plant showingCombined cycle power plant Steam boiler: combined cycle power plantCombined cycle power plant.

[diagram] thermal power plant cycle diagramSteam boiler: combined cycle power plant combined cycle power plant[diagram] power plant heat balance diagram.

[DIAGRAM] Power Plant Heat Balance Diagram - MYDIAGRAM.ONLINE

heat balance diagram of supercritical coal fired power plant showing ...

.

.

Heat balance diagram of the power cycle | Download Scientific Diagram
Heat Balance Diagram Of Diesel Power Plant Mass And Heat Bal

Heat Balance Diagram Of Diesel Power Plant Mass And Heat Bal

Combined Cycle Power Plant Diagram

Combined Cycle Power Plant Diagram

Schematic diagram of a combined cycle powerplant [26] | Download

Schematic diagram of a combined cycle powerplant [26] | Download

[DIAGRAM] Power Plant Heat Balance Diagram - MYDIAGRAM.ONLINE

[DIAGRAM] Power Plant Heat Balance Diagram - MYDIAGRAM.ONLINE

← Combined Cycle Power Plant Flow Diagram Combined Cycle Power Combined Cycle Power Plant Heat Flow Diagram Schematic fl →